東晟產品分類
更多>>客戶見證
- 華為手機
注塑機是制造塑料制品(手機密封件)的核心設備,通過..
- 天鍛壓力機
深度剖析天鍛壓力機在液壓缸密封件(耐壓70MPa)、萬..
- 格力集團(格力空調)
格力電器作為綜合性家電企業,其空調、冰箱、壓縮機..
- 三一重工
三一重工股份有限公司,三一重工,機械密封件全液壓壓..
+更多常見問題
- 汽車減震器Y形密封圈耐油性測試技術規范?
- 在汽車減震器密封系統中,Y形密封圈的耐油性直接影響液壓油封存效果與部件使用..
- 氟塑料制品在光伏產業中的創新應用!
- 隨著全球光伏裝機量突破1TW大關,?氟塑料制品?作為關鍵封裝材料正經歷技術革..
- 行業?:鐵路液壓制動密封件抗震動,故障率降低8..
- 在高速鐵路制動系統中,液壓密封件的抗震性能直接關系到列車運行安全與維護成..
- 密封件材質有哪幾種?從丁腈橡膠到四氟:7大密封..
- 工業設備密封效能的核心在于?密封件材質?的科學選型,其性能直接決定系統在..
- PTFE密封件如何滿足制藥行業的無菌要求??
- 在無菌藥品生產中,密封系統需同時突破化學耐受性、微粒控制及微生物屏障三大..
- 泵閥密封件安裝專業指南:規避典型失效風險?
- 泵閥密封件?的安裝精度直接影響設備壽命與運行安全,統計分析顯示?60%的密封..
- 耐250℃高溫橡膠密封件熱穩定性?
- 在高溫工業設備密封領域,?橡膠密封件的熱穩定性?直接決定設備運行安全性與..
- 氟塑料制品與金屬復合制品對比研究?
- 在工業材料創新領域,氟塑料制品與金屬復合制品的性能對比始終是技術決策的關..
- 問題點?:液壓旋轉接頭泄漏?碳纖維增強密封件防..
- 液壓旋轉接頭作為工程機械的核心部件,其泄漏問題直接影響設備可靠性與使用壽..
- 食品級密封墊圈(EPDM墊片)產品案例 ? 食品機械..
- 食品級密封墊圈(EPDM墊片)在食品機械管道系統中扮演著至關重要的角色,其優異..
聯系我們
廣東東晟密封科技有限公司
電話:
傳真:
地址:石碣鎮橫滘工業區偉業街
郵編:523302
E-mail:
組合密封DGDI
- 壓力≤(MPa):45
- 速度≤(m/s):1
- 溫度℃:-35/+100
- 材料:NBR/PTFE FKM/POM
- 介質:標準液壓油
- 應用:移動式液壓設備,重載油缸,機床,油壓機
- 訂購熱線:400-0087-996
產品詳情
|
-油缸氣缸密封圈
|
![]() |
組合密封圈DGDI 油缸氣缸密封圈
組合密封圈DGDI 油缸氣缸密封圈
| 技術參數> Technical Data | ||||
|
壓力> Pressure[Mpa] |
溫度> Temperature(℃>) |
速度 Sliding speed(m/s) |
介質> Medium |
|
|
標準產品 tandard |
45 | -35/+100 | 1 | 標準液壓油standard hydraulic oils |
| 材料Material |
設計標準或互換件 Standard or can fit the groove |
|||||
| 彈簧圈Elastic ring | 滑環 Slide ring | 支承環Support Ring | 設計選用時可參考:洪格爾密封件 (Hunger公司) GGDI系列標準。以上資料僅供參考 | |||
| 標準件Standard | PU |
PTFE-青銅 PTFE-Bronze |
POM | |||
|
特殊Special (on request) |
NBR,FKM EPDM FMVQ,MVQ |
PTFE-碳纖維 PTFE-carbon |
PTFE | |||
組合密封圈DGDI 油缸氣缸密封圈
|
訂貨范例 Order Example for standard version:
缸徑 Diameter D=100mm
訂貨號 Order Code DGDI100*113.8*7.5
|
|
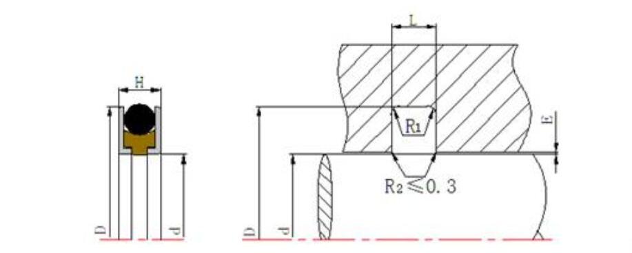
Installation Dimension table based on Metric Size
公制溝槽尺寸(mm)
|
| 軸徑d e8 | 溝槽底徑D H9 | 槽寬 b1 D10 | 產品高度H | R1≤ | C≥ |
| 22~36 | d+7.2 | 4 | 3.5 | 0.4 | 6 |
| 40~75 | d+10 | 5 | 4.5 | 0.8 | 6 |
| 80~100 | d+13.8 | 7.5 | 7 | 0.8 | 6 |
| 105~250 | d+20 | 10 | 9.5 | 1.2 | 10 |
| 260~600 | d+30 | 15 | 14.5 | 1.5 | 15 |
| 630~1000 | d+40 | 20 | 19.5 | 2 | 15 |
一、避免高溫
密封件必須避開強光照射,避免密封件被空氣中臭氧侵蝕或提早老化。各種密封其性能影響因素是不同的,如機械密封(填料密封等)影響因素有溫度、介質、磨損、所承受壓力等。
密封件作為密封配件之一,在工業生產行業中應用廣泛,且用量之大。有些企業都會儲備些常用的密封件以備不需之需。讓人擔心的事就是密封件保存環境,而東晟密封件告訴您……如何貯存密封件?如果密封件存儲不好的話,就會造成密封件大量浪費。下面具體看一下密封件都有哪些貯存條件,才能更好地保存密封件。

二、避免空氣、塵埃 密封件必須存放在密封包裝內,避免和空氣中的水分或塵埃接觸;
三、避免強光照射
注:各種密封其性能影響因素是不同的,如機械密封(填料密封等)影響因素有溫度、介質、磨損、所承受壓力等。
相關產品
















